LP3782 芯片
分类: 低功耗原边反馈控制芯片
发布时间: 2016-08-17
详细介绍
LP3782 芯片
芯片概述:
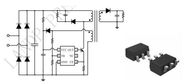
LP3782是一种高性能的原边反馈控制(PSR)的恒压(CV/CC)控制芯片,采用脉冲频率调制(PFM)的方法来建立非连续导通模式(DCM)反激式电源,驱动外置功率三极管,是低功率电源适配器和电池充电器设计的最佳选择。LP3782有一个专有的输出电缆压降补偿功能,即输出线损补偿,线损补偿量可通过调节FB分压电阻阻值来调节,最大补偿量是输出电压的12%,可以有效补偿输出电流在输出线上的损耗压降。

主要特点:
1. 原边反馈控制高精度恒流、恒压;
2. 谷底开通机制,提升系统效率,改善EMI;
3. 75mW待机功耗;
4. 外置驱动三极管
5. 可调节输入线电压补偿;
6. 随机频率抖动调制减少系统电磁干扰;
7. 开路保护,过压保护,短路保护,过温保护(OTP)。
引脚描述:

应用领域:
1. 手机、无绳电话、PDA、MP3和其它便携式设备等的适配器、充电器;
2. LED驱动电源
3. 线性电源和RCC开关电源升级换代;
4. 其它辅助电源等。
下一条:LP3773X系列 芯片
栏目分类列表
联系方式
电话:0755-29962242
传真:0755-27455477
联系人:关敬超
手机:13922810002
QQ:3501688888
地址:深圳市宝安区西乡街道园艺园工业区23栋3楼
汕头分公司
联系人:关敬勇
手 机:13685658820
地 址:广东省汕头市潮南区陈店镇广明路52-54号




