DK5V45R10
分类: 同步整流芯片
发布时间: 2016-07-29
详细介绍
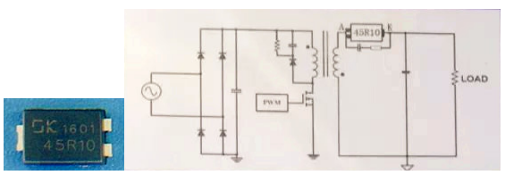
DK5V45R10同步二极管芯片
功能描述:
DK5V45R10 是同步二极管芯片。芯片内部集成了 45V 功率 NMOS 管,可以大幅降低二极管导通损耗,提高整机效率,取代或替代目前市场上等规的肖特基整流二极管。
产品特点:
1. 支持 DCM 和 QR 模式反激系统。
2. 内置 10mΩ 45V 功率 NMOS 管。
3. 特有的自供电技术,无需外部供电电源。
4. 自检测开通关断,无需外部同步信号。
5. 可直接替换肖特基管,对 EMC/I 有适当改善。
应用领域:
反激电源转换器
反激电源适配器
下一条:DK5V45R15
栏目分类列表
联系方式
电话:0755-29962242
传真:0755-27455477
联系人:关敬超
手机:13922810002
QQ:3501688888
地址:深圳市宝安区西乡街道园艺园工业区23栋3楼
汕头分公司
联系人:关敬勇
手 机:13685658820
地 址:广东省汕头市潮南区陈店镇广明路52-54号




